通用banner
您当前的位置 : 首 页 > 迁钢辊子修复记录 > 1580QGXJS05

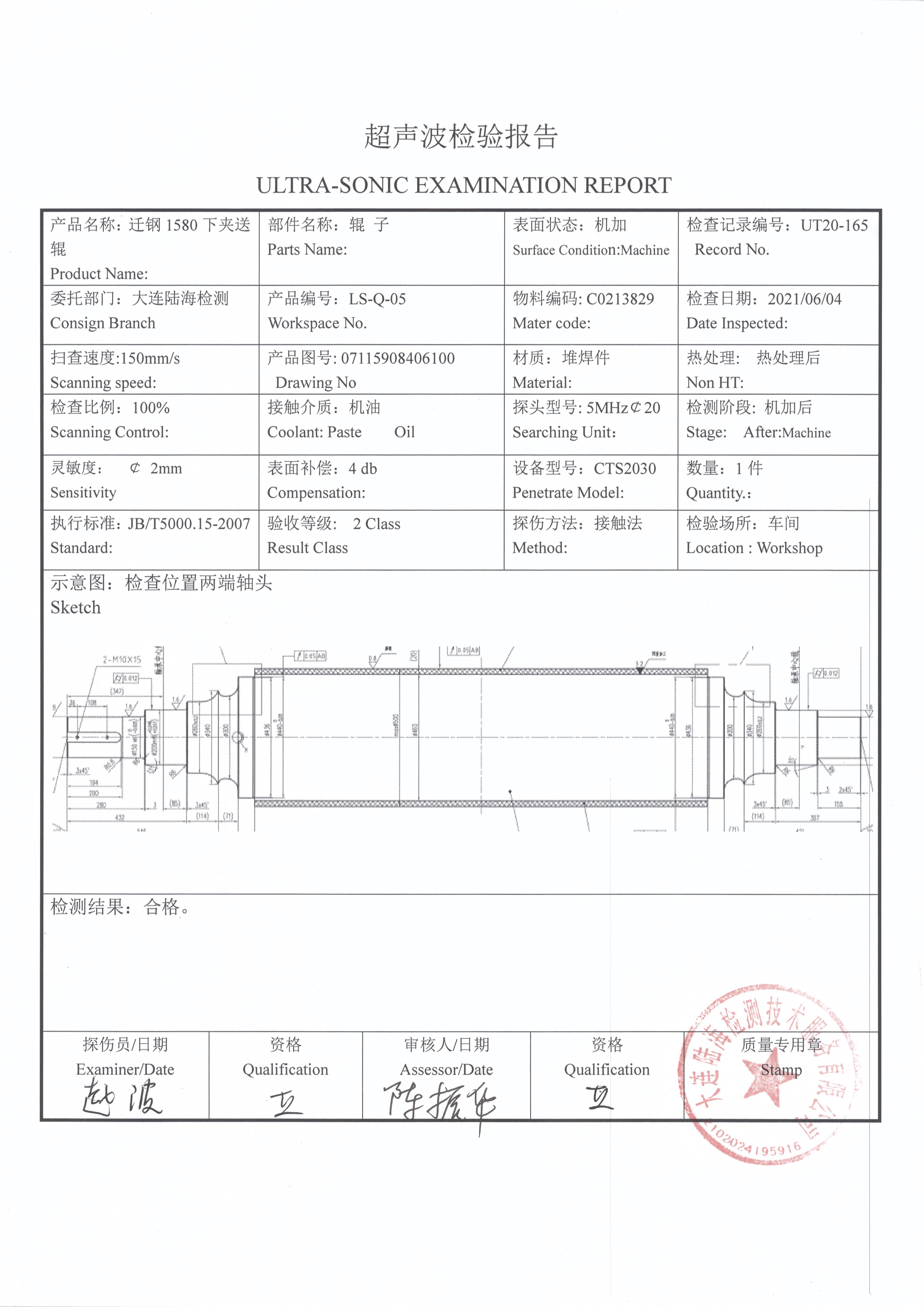
1635819892161962.jpg1635820000447337.jpeg1635819949117667.jpg1635820023129702.jpeg
















联系我们

11.png 公司服务热线:

     138-8966-7314

12.png 公司地址:辽宁省大连市旅顺口区铁山街道经济开发区大兴路2-18旅顺开发区智能制造园第六栋厂房