通用banner
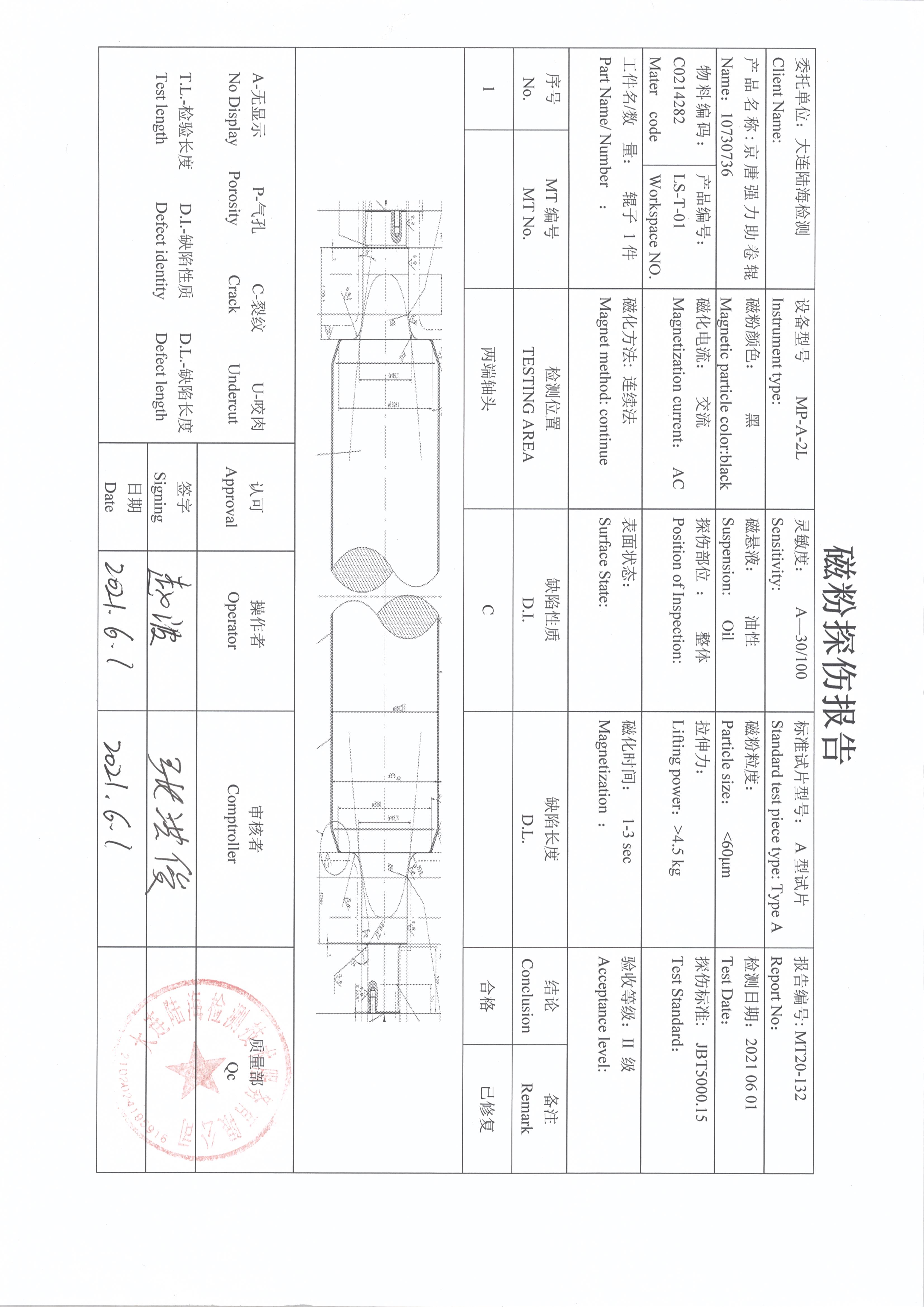
您当前的位置 : 首 页 > 京唐修复辊记录 > 强力辊LS-T-01

1625540184164124.jpeg1625540231510292.jpg1625540204185227.jpeg1625540253363876.jpg











联系我们

11.png 公司服务热线:

     138-8966-7314

12.png 公司地址:辽宁省大连市旅顺口区铁山街道经济开发区大兴路2-18旅顺开发区智能制造园第六栋厂房